CCA - Carte de commande d'aiguillage

Cette carte d'interface utilisable avec le module commun de pilotage de zone (MOC) permet la commande d'un aiguillage électromagnétique. Un MOC équipé de cette carte sur tous ses emplacements, permet la commande de 8 aiguillages différents. Il suffit de connecter les trois fils de l'aiguillage à la carte. L'alimentation et la protection des bobines sont prises en charge par l'interface.

Caractéristiques

Les caractéristiques de cette carte d'interface sont :

  • dimensions du circuit imprimé L 60 x l 25 mm ;
  • alimentation 5V CC par le MOC ;
  • commande de l'aiguillage par deux relais REED ;
  • l'aiguillage est commandé en 15V ;
  • l'aiguillage est protégé sur chaque bobine par une diode de roue libre ;
  • détection de raccordement au MOC par une résistance de 2Kohms.

Raccordements de la carte interface CCA

Maturité : 100%

État d'avancement de la carte interface

Version 1.3

La carte interface CCA est complètement finalisée et toutes les anomalies sont corrigées dans cette version.

Matériel nécessaire (version 1.3)

Description Quantité Référence PCB
Résistance 1K (1/4 W) 2 R1, R2
Résistance 2K (1/4 W) 1 R3
Transistor PN2222A 2 Q1, Q2
Relais REED 2 K1, K2
Diode 1N4148 4 D1 à D4
Pin header droit 7 J1, J3
Bornier 3 plots à vis 1 J2

La résistance de détection de la carte interface (R3) doit avoir une tolérance de =/- 2%. Cette résistance doit être précise afin que la détection par le MOC soit réalisée sans erreur d'interprétation possible.

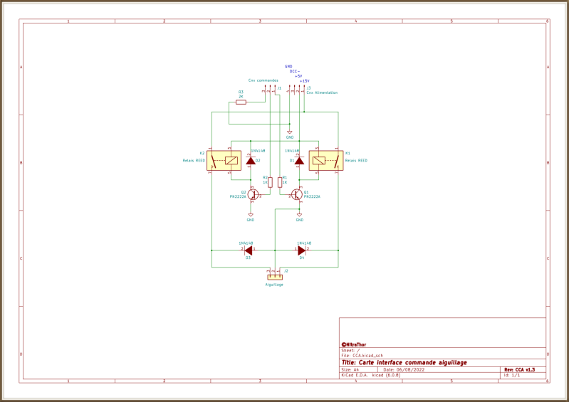
Schéma électronique (version 1.3)

Fonctionnement

Ce montage très simple est composé de deux circuits identiques qui commandent chacun un relais REED. La commande envoyée depuis le MOC par le connecteur J1, passe par un circuit de puissance (R1, Q1 et R2, Q2) qui alimente la bobine d'un micro relais. Ce relais est protégé par une diode de roue libre (D1 ou D2) permettant d'absorber les interférences au moment de la coupure d'alimentation de la bobine. Chaque relais REED commande un électroaimant de l'aiguillage, lui aussi, protégé par une diode de roue libre (D3 ou D4). Les bobines de l'aiguillage sont actionnées par une tension de 15V disponible depuis la carte interface.

Circuit imprimé (version 1.3)

  • Le circuit imprimé dispose d'un plan de masse sur chaque face du circuit afin d'atténuer au maximum les interférences.
  • Les deux trous de fixation du côté des broches pin header permettent de solidariser la carte interface avec le module MOC qui l'accueillera et ainsi, ne pas exercer d'effort sur ces broches lors des opérations de branchement / débranchement de l'aiguillage.

Cuivre face dessus

Cuivre face dessous

Schéma d'implantation des composants

Réalisation du circuit imprimé

Le fichier zip ci-dessous contient :

  • tous les fichiers de descriptions du montage au format gerber (extension gbr)
  • le fichier de perçage (extension drl).

Ce fichier compressé peut être directement utilisé si vous commandez la réalisation des circuits imprimés à un prestataire. (voir le tutoriel "Faire réaliser son PCB")

PCB CCA V 1 3
Archive – 65,7 KB

Vue 3D de la carte CCA

Mise en place des composants

La mise en place des composants sur la carte ne pose pas de problème particulier.

L'ordre d'implantation est toujours le même. On commence par le plus petit composant et on termine par le  plus grand :

  • Commencez par les quatre diodes
  • Les trois résistances
  • Les deux transistor
  • Les broches de connexions J1 et J3  qui sont soudées sur la face du dessous
  • Les deux relais REED
  • Terminez par le bornier de connexion à l'aiguillage

Commentaires

Il n'y a pas encore de commentaire.

Ajouter un commentaire

Votre adresse e-mail ne sera pas publiée. Les champs obligatoires sont indiqués avec *.