CCE - Carte de commande d'éclairage

Cette carte d'interface utilisable avec le module commun de pilotage de zone (MOC) permet la commande distincte de deux alimentations 15V utilisées pour l'animation du réseau (éclairages de routes, éclairages de zones d'activités...).

Cette carte interface peut aussi être utilisée afin d'alimenter une animation autonome (moulin à vent, roue de manège...).

Caractéristiques

Les caractéristiques de cette carte d'interface sont :

  • dimensions du circuit imprimé L 60 x l 25 mm ;
  • alimentation 5V CC par le MOC ;
  • commandes de l'éclairage par deux relais REED ;
  • l'activation de la commande s'effectue en 15V ;
  • détection de raccordement au MOC par une résistance de 3Kohms.

Maturité : 100%

État d'avancement de la carte interface

Version 1.0

La carte interface CCE est complètement finalisée et aucune anomalie n'a été détectée dans cette première version.

Matériel nécessaire et schéma électronique

En cours de rédaction...

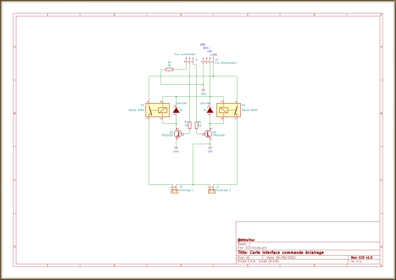
Schéma électronique de la carte interface

Commentaires

Il n'y a pas encore de commentaire.

Ajouter un commentaire

Votre adresse e-mail ne sera pas publiée. Les champs obligatoires sont indiqués avec *.